Код товара:
34843
Артикул:
34843
Производитель:
Футурум
По запросу
Сертификаты в наличии
Гарантия на продукцию
Проводим ремонт и обслуживание
Проводим монтаж и наладку
Возможность обучения персонала
Поставляем запчасти и комплектующие
Купить Форма стальная ФАС-3 , а также получить консультацию специалистов об особенностях и преимуществах данного изделия вы можете в нашем магазине, связавшись с нами по телефонам: +7 (495) 798-29-98 или +7 (903) 798-29-98 или непосредственно через сайт – с помощью формы обратной связи.

Формы стальные цилиндрические облегченные ФАС предназначены для изготовления асфальтобетонных образцов по ГОСТ 12801.

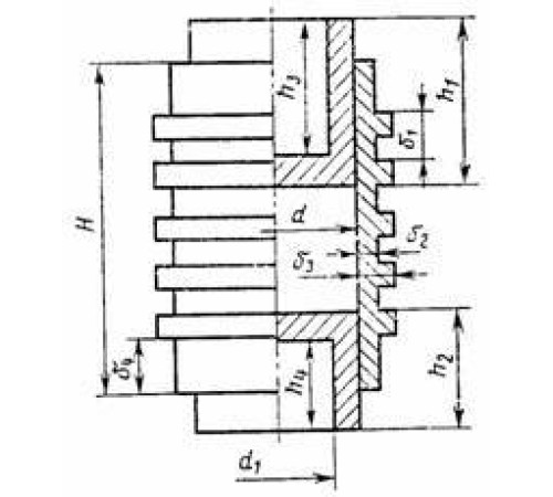
Размеры формы:

Основные размеры, мм
dd1Н h1h2h3h4δ1δ2δ3δ4
101771801107090501061225
Технические характеристики формы ФАС-3
Наибольшая крупность минеральных зерен40 мм
Отклонение от плоскостности торцевых поверхностей вкладышей≤0,05 мм
Отклонение от перпендикулярности образующей цилиндрической поверхности
вкладышей относительно поверхности их оснований
≤0,06 мм
Максимальная шероховатость рабочих поверхностей R≤3,2 мкм
Вес10 кг

Комплект поставки:

  • Форма ФАС-3: 1 шт.
  • Аттестат первичной аттестации: 1 шт.
  • Паспорт: 1 экз.
Отзывов: 0

Нет отзывов об этом товаре.

Вопросов: 0

Нет вопросов об этом товаре.

Доставка заказов осуществляется в любые регионы Российской Федерации и страны СНГ.

Цены на нашем сайте указаны с учетом НДС (20% либо 10%).

Оплата заказов производится только в безналичной форме на расчетный счет в рублях Российской Федерации на основании выставленного Счета.

Для бюджетных организаций и государственных структур предусмотрены особые условия оплаты.

Постоянным клиентам предоставляются скидки и индивидуальный порядок расчетов.

Внимание! В связи с нестабильным курсом валют и изменением цен у производителей, просим окончательную стоимость продукции уточнять у наших менеджеров.

Варианты доставки:

Самовывоз со склада в городе Клин

Адрес выдачи: Московская область, г. Клин, ул. Захватаева, д. 4, офис 101

Контактный телефон: +7 (977) 407-05-96

Доставка по Клину и Клинскому району – бесплатно

Доставка по Москве – 1 500 рублей

Доставка любыми транспортными компаниями, службами экспресс-доставки. Стоимость рассчитывается индивидуально для каждого заказа в соответствии с установленными тарифами транспортной компании. Все грузы застрахованы.

Товары из той же категории
Анализатор хрупкости по Фраасу BPA 5, Anton Paar
33828
По запросу
Аппарат для перемешивания смазок GWM 5, Anton Paar
33819
По запросу
Вискозиметр ВУБ-1Ф
34820
По запросу
Вискозиметр КП-134Ф
34816
По запросу

Компания "КомплектСнаб является официальным поставщиком от производителя Футурум. Вы всегда можете получить бесплатную консультацию по продукции, получить КП и задать вопросы по подбору аналогов продукции.